400W智能伺服电批-伺服螺丝刀-Ezpay芯片

Ezpay

QCDP1E1-040智能伺服电批

QCDP1E1-040智能伺服电批

  • 无机械齿轮和离合器结构,无磨损,免维护,寿命超长,故障率低;

  • 高精度电流采样和终值算法驱控,响应快,重复精度高,扭力精准;

  • 具备单段,二段,多段、拆卸等多种工作模式,转速、扭矩可调,锁付智能化;

  • 适应机牙螺纹,自攻螺纹,自钻螺纹等场合;

  • 扭力,圈数综合评估,降低滑牙、浮锁误判率;

  • 驱控器自带2.4寸真彩触摸屏可调试设置参数,方便监控调试电批运作;

  • 驱控器IO信号有电批启停输入信号、力矩到达和电批报警输出信号;

  • 集成一个基于MODBUS RTU协议的TTL通信口,外联控制器或触摸屏。

    智能伺服电批,由伺服电批控制系统和伺服电组织成。不管是从扭力、精度、使用寿命来看,伺服电批都比无刷、有刷电批更强大。伺服电批的扭力大、响应快。


    产品特点:


    (1)无机械齿轮和离合器结构,无磨损,免维护,寿命超长,故障率低;

    (2)高精度电流采样和终值算法驱控,响应快,重复精度高,扭力精准;

    (3)具备单段,二段,多段、拆卸等多种工作模式,转速、扭矩可调,锁付智能化;

    (4)适应机牙螺纹,自攻螺纹,自钻螺纹等场合;

    (5)扭力,圈数综合评估,降低滑牙、浮锁误判率;

    (6)驱控器自带2.4寸真彩触摸屏可调试设置参数,方便监控调试电批运作;

    (7)驱控器IO信号有电批启停输入信号、力矩到达和电批报警输出信号;

    (8)集成一个基于MODBUS RTU协议的TTL通信口,外联控制器或触摸屏。


    系统功能:


    输入输出信号:启动、停止、正反转;拧紧完成、合格标志、报警输出;

    外围接口:RS485、IO接口、可实现IO口的所有功能;

    实时输出拧紧数据,由MES系统采集,分析,存储;

    拧紧过程由高速数字控制,精度高,使用寿命长;

    支持正反向控制;扭力,转速,圈数任意调节,多级变速,控制精度更高;

    拧紧过程数据管理,记录可溯;

    浮锁,滑牙等异常出错报警机制及处理;

    拧紧过程主要数据显示:实时扭力值、圈数、拧紧时间、扭力峰值,合格标志;

    相对于IO电批,控制更精准,更环保。


    软件功能:


    界面简单易操作,与智能伺服电批控制器无缝连接,快速便捷的设置电批各类参数。

    伺服电批工作状态信息显示与记录,电批状态实时监控。

    扭紧过程可监控,支持波形采集、对比与分析、支持在线调试功能。

    锁付记录显示,处理与导出,让拧紧记录可追溯、可保存、可统计。


    规格型号:


    功率
    扭矩
    转速/RPM
    适用螺钉
    100W

    1-9 公斤 / 0.1-0.9 牛米

    0-3000
    m1.4-m3
    200W

    3-18公斤 / 0.3-1.8牛米

    0-3000m2-m4
    400W

    6-35公斤 / 0.6-3.5牛米

    0-3000m2-m5
    控制方式
    FOC矢量控制
    环境
    工作温度
    -20℃~45℃
    存储温度
    -20℃~45℃
    湿度
    90%RH以下,无结露
    海拔3000m以下
    振动4.9m/sec2,频率10~55Hz
    周围环境
    无易燃易爆、腐蚀性气体,无盐雾,无导电粉尘
    数字量输入
    视型号而定,最大支持5路
    数字量输出视型号而定,最大支持3路
    编码器反馈
    多摩川绝对值编码器
    通信功能Modbus通信协议
    存储功能
    EEPROM掉电保存
    冷却方式自然冷却
    过载能力视型号而定,过载水平可设置,最高支持3倍过载3.5s
    报警功能过流,过热,过压,欠压,过载,过速,编码器异常等报警
    上位机软件ServoApp伺服电批上位机软件


    IO及通讯端口定义:




    信号

    说明

    信号

    说明

    1

    24V

    内部输出电压,可接入外部电压

    DO1-

    输出端子-

    2

    COM

    电源负极

    DO1+

    输出端子+

    3

    SEL

    高低电平有效选择

    DO2-

    输出端子-

    4

    DI1

    输入端子

    DO2+

    输出端子+

    5

    DI2

    输入端子

    DO3-

    输出端子-

    6

    DI3

    输入端子

    DO3+

    输出端子+

    7

    DI4

    输入端子

    B

    RS485串行信号B

    8

    DI5

    输入端子

    A

    RS485串行信号A

    9

    NC

    -



    注:SEL用于选择高低电平使用,SEL选择接入24V时,输入端子输入低电平信号有效;SEL选择接入COM时,输入端子输入高电平信号有效。


    电机编码器端口:


    各系列电批的编码器端口统一为DB9,支持绝对值编码器。


    输入输出电源端口:


    电批电源输入,接地端口:


    信号

    说明

    1

    L1

    功率电源

    2

    L2

    功率电源

    3

    接地

    电机动力线,接地端口:


    信号

    说明

    1

    接地

    2

    W

    电机W相

    3

    V

    电机V相

    4

    U

    电机U相


    电气接线图:


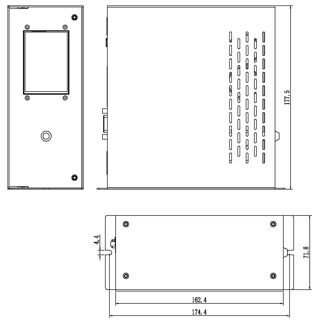
    伺服电批控制器外观尺寸:

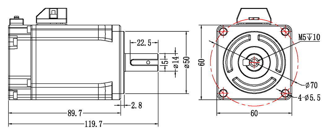
    400W电机尺寸:

    伺服电机包外壳尺寸图

    伺服电机未包外壳尺寸图

    产品安全认证——CE认证报告


版权所有 © 深圳市Ezpay工业控制股份有限公司 未经许可不得复制、转载或摘编,违者必究  版权声明

Copyright © Shenzhen Huacheng Industrial Control Co., Ltd. All Rights Reserved.

网站ICP备案号: 粤ICP备19106162号

技术支持:新新网络

咨询在线客服

咨询电话

13924666952

400-158-1606

官方客服微信